Applicable temperature: -20℃<100℃
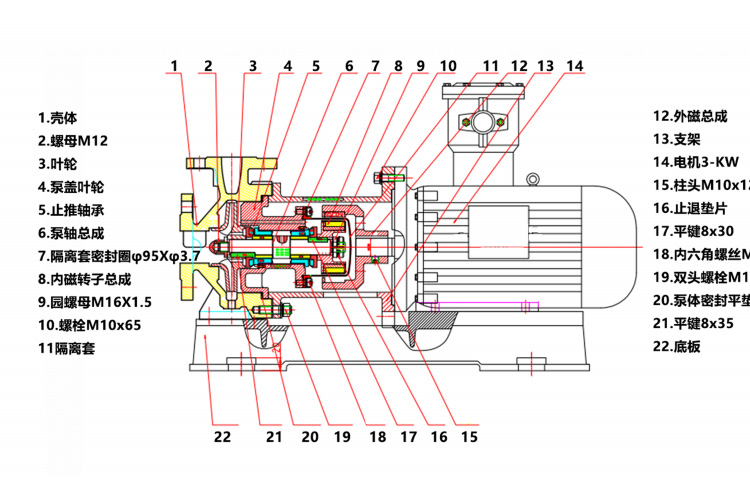
IMC-type magnetic drive pump (referred to as magnetic pump) is a new product that applies the working principle of permanent magnet coupling to a centrifugal pump. It has reasonable design, advanced technology, full seal, no leakage, corrosion resistance, and other characteristics, and its performance has reached the advanced level of similar foreign products. Stainless steel magnetic pump with a static seal instead of a dynamic seal, so that the flow parts of the pump in a completely sealed state, completely solving the other pump mechanical seal can not avoid running, bubbling, or dripping ills. The magnetic pump uses corrosion-resistant, high-strength stainless steel as a manufacturing material, so it has good corrosion resistance and can make the transported medium free from pollution. Design pressure: 1.6MPa Flange Standard: HG/T20592-09.
Magnetic pump magnetic compact structure, beautiful appearance, small size, low noise, reliable operation, easy to use and maintain. It can be widely used in the hand chemical industry, pharmaceutical, petroleum, electroplating, food, film photographic printing, scientific research institutions, national defense industry, and other units to pump acid, lye, oil, rare precious liquid, venom, volatile liquid, as well as circulating water equipment, filter equipment. Especially for the pumping of flammable and explosive liquids, this pump is ideal.


With two-stage motor n=2900r/min Design pressure: 1.6MPa "*" is the standard parameter
| Number | Model | Flow (m³/h) |
Pump head |
η (%) |
Diameter |
Cavitation margin |
Revolution |
Power |
Weight (kg) |
|
| Entrance | Exit | |||||||||
| 1 | IMC32-25-125 | 2 | 22 | 20 | 32 | 25 | 4.5 | 2900 | 1.5 | 70 |
| *3.2 | 20 | 18 | ||||||||
| 5 | 17 | 16 | ||||||||
| 2 | IMC32-25-160 | 2 | 33 | 22 | 32 | 25 | 4.5 | 2900 | 2.2 | 80 |
| *3.2 | 32 | 20 | ||||||||
| 5 | 30 | 18 | ||||||||
| 3 | IMC32-25-200 | 2 | 51 | 18 | 32 | 25 | 4.5 | 2900 | 4 | 100 |
| *3.2 | 50 | 16 | ||||||||
| 5 | 48 | 15 | ||||||||
| 4 | IMC40-25-125 | 4 | 22 | 15 | 40 | 25 | 4.5 | 2900 | 2.2 | 80 |
| *6 | 20 | 20 | ||||||||
| 8 | 18 | 23 | ||||||||
| 5 | IMC40-25-160 | 5 | 33 | 17 | 40 | 25 | 4.5 | 2900 | 3 | 100 |
| *6 | 32 | 22 | ||||||||
| 8 | 29 | 27 | ||||||||
| 6 | IMC40-25-200 | 4 | 52 | 15 | 40 | 25 | 4.5 | 2900 | 5.5 | 150 |
| *6 | 50 | 21 | ||||||||
| 10 | 46 | 29 | ||||||||
| 7 | IMC50-32-125 | 10 | 22 | 28 | 50 | 32 | 4 | 2900 | 3 | 80 |
| *12.5 | 20 | 30 | ||||||||
| 15 | 17 | 29 | ||||||||
| 8 | IMC50-32-160 | 10 | 33 | 39 | 50 | 32 | 4 | 2900 | 4 | 110 |
| *12.5 | 32 | 35 | ||||||||
| 15 | 25 | 37 | ||||||||
| 9 | IMC50-32-200 | 10 | 51 | 25 | 50 | 32 | 4 | 2900 | 7.5 | 150 |
| *12.5 | 50 | 30 | ||||||||
| 15 | 48 | 34 | ||||||||
| 10 | IMC50-32-250 | 10 | 81 | 24 | 50 | 32 | 4 | 2900 | 15 | 260 |
| *12.5 | 80 | 26 | ||||||||
| 15 | 75 | 29 | ||||||||
| 11 | IMC65-50-125 | 20 | 22 | 36 | 65 | 50 | 4 | 2900 | 5.5 | 125 |
| *25 | 20 | 39 | ||||||||
| 30 | 18 | 37 | ||||||||
| 12 | IMC65-50-160 | 20 | 34 | 34 | 65 | 50 | 4 | 2900 | 7.5 | 140 |
| *25 | 32 | 37 | ||||||||
| 30 | 29 | 38 | ||||||||
| 13 | IMC65-40-200 | 20 | 51 | 38 | 65 | 40 | 4 | 2900 | 15 | 240 |
| *25 | 50 | 42 | ||||||||
| 30 | 46 | 45 | ||||||||
| 14 | IMC65-40-250 | 20 | 82 | 33 | 65 | 40 | 4 | 2900 | 22 | 160 |
| *25 | 75 | 35 | ||||||||
| 30 | 65 | 38 | ||||||||
| 15 | IMC80-65-125 | 40 | 21 | 45 | 80 | 65 | 3.5 | 2900 | 7.5 | 140 |
| *50 | 20 | 48 | ||||||||
| 60 | 18 | 45 | ||||||||
| 16 | IMC80-65-160 | 40 | 33 | 43 | 80 | 65 | 3.5 | 2900 | 15 | 230 |
| *50 | 32 | 46 | ||||||||
| 60 | 29 | 49 | ||||||||
| 17 | IMC80-50-200 | 40 | 52 | 50 | 80 | 50 | 4 | 2900 | 18.5 | 300 |
| *50 | 50 | 52 | ||||||||
| 60 | 46 | 53 | ||||||||
| 18 | IMC80-50-250 | 40 | 73 | 46 | 80 | 50 | 3.5 | 2900 | 30 | 390 |
| *50 | 70 | 50 | ||||||||
| 60 | 65 | 52 | ||||||||
| 19 | IMC100-80-125 | 80 | 21 | 50 | 100 | 80 | 3.5 | 2900 | 15 | 230 |
| *100 | 20 | 44 | ||||||||
| 120 | 17 | 42 | ||||||||
| 20 | IMC100-80-160 | 80 | 36 | 50 | 100 | 80 | 4 | 2900 | 22 | 300 |
| *100 | 32 | 52 | ||||||||
| 120 | 24 | 45 | ||||||||
| 21 | IMC100-65-200 | 80 | 51 | 65 | 100 | 65 | 4 | 2900 | 30 | 360 |
| *100 | 50 | 73 | ||||||||
| 120 | 48 | 78 | ||||||||
| 22 | IMC125-80-160 | 140 | 32 | 56 | 125 | 80 | 4.5 | 2900 | 30 | 370 |
| *150 | 30 | 57 | ||||||||
| 160 | 26 | 54 | ||||||||
| Number | Model | Outline mounting dimension | Inlet flange size | Outlet flange size | |||||||||||||||||
| L | S | B | P | F | H | h | W | T | n-Φ d1 | C | a | b | e | n-Φ d | K | g | i | j | n-Φ t | ||
| 1 | IMC32-25-125 | 615 | 450 | 620 | 70 | 80 | 332 | 192 | 345 | 300 | 4-Φ20 | 32 | 140 | 100 | 20 | 4-Φ18 | 25 | 115 | 85 | 18 | 4-Φ14 |
| 2 | IMC32-25-160 | 672 | 450 | 620 | 70 | 80 | 372 | 212 | 345 | 300 | 4-Φ20 | 32 | 140 | 100 | 20 | 4-Φ18 | 25 | 115 | 85 | 18 | 4-Φ14 |
| 3 | IMC32-25-200 | 745 | 540 | 710 | 70 | 80 | 420 | 240 | 375 | 330 | 4-Φ20 | 32 | 140 | 100 | 20 | 4-Φ18 | 25 | 115 | 85 | 18 | 4-Φ14 |
| 4 | IMC40-25-125 | 605 | 450 | 620 | 70 | 80 | 332 | 192 | 345 | 300 | 4-Φ20 | 40 | 150 | 110 | 18 | 4-Φ18 | 25 | 115 | 85 | 18 | 4-Φ14 |
| 5 | IMC40-25-160 | 680 | 450 | 620 | 70 | 80 | 372 | 212 | 345 | 300 | 4-Φ20 | 40 | 150 | 110 | 18 | 4-Φ18 | 25 | 115 | 85 | 18 | 4-Φ14 |
| 6 | IMC40-25-200 | 790 | 540 | 710 | 70 | 80 | 420 | 240 | 375 | 330 | 4-Φ20 | 40 | 150 | 110 | 18 | 4-Φ18 | 25 | 115 | 85 | 18 | 4-Φ14 |
| 7 | IMC50-32-125 | 665 | 450 | 620 | 70 | 80 | 332 | 192 | 345 | 300 | 4-Φ20 | 50 | 165 | 125 | 20 | 4-Φ18 | 32 | 140 | 100 | 20 | 4-Φ18 |
| 8 | IMC50-32-160 | 705 | 450 | 620 | 70 | 80 | 372 | 212 | 345 | 300 | 4-Φ20 | 50 | 165 | 125 | 20 | 4-Φ 18 | 32 | 140 | 100 | 20 | 4-Φ18 |
| 9 | IMC50-32-200 | 790 | 540 | 710 | 70 | 80 | 420 | 240 | 375 | 330 | 4-Φ20 | 50 | 165 | 125 | 20 | 4-Φ18 | 32 | 140 | 100 | 20 | 4-Φ18 |
| 10 | IMC50-32-250 | 900 | 740 | 950 | 130 | 100 | 485 | 260 | 440 | 390 | 4-Φ 25 | 50 | 165 | 125 | 20 | 4-Φ 18 | 32 | 140 | 100 | 20 | 4-Φ18 |
| 11 | IMC65-50-125 | 705 | 450 | 620 | 70 | 80 | 332 | 192 | 345 | 300 | 4-Φ20 | 65 | 185 | 145 | 20 | 8-Φ18 | 50 | 165 | 125 | 20 | 4-Φ18 |
| 12 | IMC65-50-160 | 786 | 540 | 710 | 70 | 80 | 372 | 212 | 375 | 330 | 4-Φ20 | 65 | 185 | 145 | 20 | 8-Φ18 | 50 | 165 | 125 | 20 | 4-Φ18 |
| 13 | IMC65-40-200 | 945 | 570 | 850 | 130 | 100 | 420 | 240 | 440 | 390 | 4-Φ25 | 65 | 185 | 145 | 20 | 8-Φ18 | 40 | 150 | 110 | 18 | 4-Φ18 |
| 14 | IMC65-40-250 | 1025 | 570 | 910 | 130 | 100 | 485 | 260 | 440 | 390 | 4-Φ25 | 65 | 185 | 145 | 20 | 8-Φ18 | 40 | 150 | 110 | 18 | 4-Φ18 |
| 15 | IMC80-65-125 | 810 | 540 | 710 | 70 | 100 | 352 | 192 | 370 | 330 | 4-Φ20 | 80 | 200 | 160 | 20 | 8-Φ18 | 65 | 185 | 145 | 20 | 8-Φ18 |
| 16 | IMC80-65-160 | 940 | 570 | 850 | 70 | 100 | 420 | 240 | 370 | 330 | 4-Φ25 | 80 | 200 | 160 | 20 | 8-Φ18 | 65 | 185 | 145 | 20 | 8-Φ18 |
| 17 | IMC80-50-200 | 1025 | 600 | 900 | 150 | 100 | 440 | 240 | 465 | 420 | 4-Φ25 | 80 | 200 | 160 | 20 | 8-Φ18 | 50 | 165 | 125 | 20 | 4-Φ18 |
| 18 | IMC80-50-250 | 1205 | 720 | 1030 | 155 | 125 | 505 | 280 | 525 | 470 | 4-Φ25 | 80 | 200 | 160 | 20 | 8-Φ18 | 50 | 165 | 125 | 20 | 4-Φ18 |
| 19 | IMC100-80-125 | 940 | 570 | 850 | 70 | 100 | 420 | 240 | 370 | 330 | 4-Φ25 | 100 | 220 | 180 | 22 | 8-Φ18 | 80 | 200 | 160 | 20 | 8-Φ18 |
| 20 | IMC100-80-160 | 1025 | 600 | 900 | 150 | 100 | 440 | 240 | 465 | 420 | 4-Φ25 | 100 | 220 | 180 | 22 | 8-Φ18 | 80 | 200 | 160 | 20 | 8-Φ18 |
| 21 | IMC100-65-200 | 1180 | 720 | 1030 | 155 | 100 | 505 | 280 | 525 | 470 | 4-Φ25 | 100 | 220 | 180 | 22 | 8-Φ18 | 65 | 185 | 145 | 20 | 8-Φ18 |
We attach great importance to your letter and will reply to you as soon as possible.

As China IMC Corrosion-Resistant Stainless Steel Magnetic Pump manufacturers and IMC Corrosion-Resistant Stainless Steel Magnetic Pump company, Freida is a comprehensive enterprise integrating industry and trade, specializing in the production of various chemical pumps, including magnetic pumps, centrifugal pumps, submersible pumps, self-priming pumps, pipeline pumps, and corrosion-resistant and wear-resistant pumps. The enterprise adopts advanced computer-aided engineering analysis (CFD) technology, CNC machining technology, and strict testing and quality control systems to ensure the high quality of its products. As a domestic manufacturer of chemical pumps, Freida integrates diversified design, production, and sales, positioning itself in the high-end market with an annual output value exceeding 50 million yuan.
Freida products are mainly exported to multiple countries and regions around the world, including the United States, Germany, Japan, Spain, Italy, the United Kingdom, South Korea, Australia, and Canada, and have established cooperative relationships with numerous chemical plants, sewage treatment plants, and new energy plants, including several Fortune 500 companies. Through continuous and stable product quality and service, Freida has become an important chemical pump supplier for these enterprises in China, winning wide recognition in domestic and foreign markets.






What is a Centrifugal Pump? The centrifugal pump is arguably one of the most common and vital pieces of machinery in the modern world. Though you may ...
View MoreA Self-priming Pump is an unsung hero of fluid dynamics, solving a common and frustrating problem that plagues many traditional centrifugal pumps: the...
View MoreIntroduction: The Heartbeat of Chemical Processing Imagine a world without pharmaceuticals, clean drinking water, gasoline, or even the paint on your ...
View MoreThe industrial landscape demands fluid transfer solutions that prioritize safety, efficiency, and environmental protection. Among the various pump tec...
View MoreThe efficient and rapid movement of vast quantities of fluid is a foundational requirement across numerous industries, from water management and agric...
View MoreThe self-priming pump is a critical and versatile piece of equipment in fluid mechanics, designed to overcome a fundamental limitation of standard cen...
View More